
中 考
倒计时
235 Day
寒 假
倒计时
85 Day
写字等级考
倒计时
30 Day
一 模
倒计时
70 Day
中考和一模按照去年的时间进行大致推算,确切时间公布后会随时修改。
历史上的今天
100年前的今天(1921年10月22日),中国近代极具影响力的翻译家、教育家,严复先生与世长辞。他所提出的“信、达、雅”的翻译标准,对后世的翻译工作产生了深远影响。
要说物理中什么东西最简单也最头疼,
那莫过于滑动变阻器了。
从初中到高中,
电学仪表越来越多,
电路结构越画越复杂,
但动态电路永远陪在你身边~

上次有人在评论里力求解析,
中招君有求必应!
这次有答案有解析,
大家如果有新的思路,
也欢迎在评论区分享!
01
如图所示的电路中,电源电压保持不变。闭合开关S,电路正常工作,各电表的示数均不为零。移动滑动变阻器的滑片P,电压表V1与V2示数的比值逐渐变小,则( )

A、滑片P向右移动
B、电流表A示数不变
C、电压表V1示数与电流表A示数的比值变大
D、电压表V2示数与电压表V1示数的差值变小
(点击选项查看答案)
这个电路是串联电路。因为移动滑动变阻,电压表V1与V2示数的比值逐渐变小,而V2的示数是保持不变的,所以V1是变小的,所以R2是变大的,那么滑片P应该向右移动;电流表A的示数应该变大;电压表V1与电流表A的比值就是R1是不变的;电压表V2与电压表V1的差值就是R2两端的电压是变大的。
点击查看解析
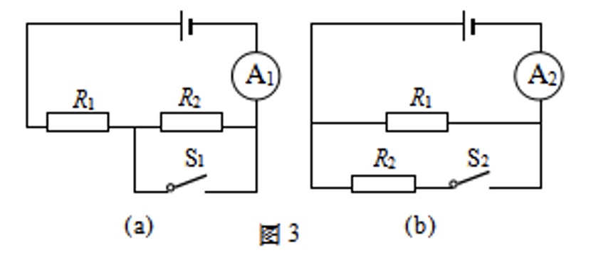
02
在图3(a)(b)所示的电路中,电源电压相等且保持不变。若通过闭合或断开开关S1、S2,使电流表A1与A2示数的比值最小,则( )

A、S1、S2均断开
B、S1、S2均闭合
C、S1闭合,S2断开
D、S1断开,S2闭合
(点击选项查看答案)
若要I1与I2比值最小,则I1相对较小,I2相对较大。
S1闭合,I1=U/R1;S1断开,I=U/(R1+R2),断开时示数较小。
S2闭合,I2=U/R1 + U/R2;S2断开,I2=U/R1,闭合时示数较大。
点击查看解析
03
如图所示电路中,电源电压不变。闭合电键S,当滑动变阻器的滑片P向左移动时,则( )

A、A表示数与A1表示数的差值变大
B、A表示数与A1表示数的比值变小
C、V表示数与A表示数的比值变大
D、V表示数与A1表示数的乘积变大
(点击选项查看答案)
由电路图可知,R1和R2并联,电压表等于电源电压,电流表A1测R2支路的电流,A测干路电流;
∵电源的电压不变,
∴电压表的示数不变。
当滑动变阻器的滑片P向左移动时,接入电路中的电阻变大,所以A1减小,并联电路中各支路独立工作、互不影响,通过R1的电流不变,干路电流变小,即电流表A的示数变小;
∵A表示数与A1表示数的差值等于通过R1的电流不变;
∵A表示数与A1表示数的比值=I/I2=(I1+I2)/I2=I1/I2+1变大;故B错误;
∵V表示数与A表示数的比值变大,故C正确;
∴V表示数与A1表示数的乘积变小;故D错误。
点击查看解析
04
如图所示的电路中,电源电压保持不变,开关S从断开到闭合,先后两次电流表A的示数之比为2︰3。若将电阻R1、R2串联在电路中,则R1、R2两端的电压之比为( )

A、2︰1
B、1︰2
C、2︰3
D、3︰2
(点击选项查看答案)
电路为并联电路,电流表测干路电流,当S闭合时电流由2变为3,即通过R1电流与通过R2电流之比为2:1,所以两电阻阻值之比为1:2,当两个电阻串联时,电流相同,R1、R2的电压之比为1:2。
点击查看解析
05
在图1(a)、(b)所示的电路中,所有元件均完好,电源电压相等且保持不变。已知 R1、R2、R3为定值电阻,R4为滑动变阻器(滑片在中点附近某位置),现有两个电流表的示数相同,则下列判断正确的是( )

①A1与A2示数相同,R1<R2
②A1与A3示数相同,R1=R2
③A2与A4示数相同,R2>R3
④A3与A4示数相同,R2=R3
A、①和②
B、②和③
C、③和④
D、①和④
(点击选项查看答案)
①A1与A2示数相同, R1支路电流等于干路电流,R2断路。所以错误。
②A1与A3示数相同,R1支路电流等于R2支路电流,R1=R2。所以正确。
③A2与A4示数相同,干路电流等于串联电路电流,R1R2并联总电阻等于R3R4串联总电阻,R2>R3。所以正确。
④A3与A4示数相同,R2支路电流等于串联电路电流,R2等于R3R4串联总电阻,R2>R3 。所以错误。
点击查看解析


上期精彩

「精华10题」翻遍历代一模,击碎中考化学,不要让它毁了你的语数英!
版权声明:本文系上海中学生报中考发布独家稿件,未经授权,不得转载。经授权转载须标明出处或原文来源。